Do darmowej dostawy brakuje
502 270 829
pn - pt: 8:00 - 16: 00, sob: 8:00 - 13:00
Dom Ogród Las
Autoryzowany dealer Stihl
Serwis
Serwis Stihl 1
Żarecka 1, 42-350 Koziegłowy tel. 502 270 829
pn - pt: 8:00 - 16: 00, sob: 8:00 - 13:00
Serwis Stihl 2
Nakielska 12, 42-600 Tarnowskie Góry tel. 794 009 110
pn - pt: 8:00 - 16:00, sob: 8:00 - 13:00
Szukaj
Ulubione
Konto
Koszyk
Menu
Kategorie produktów
Produkty
Urządzenia akumulatorowe
Dla małych ogrodów - system AS i Linia AI
Dla większych ogrodów COMPACT - system AK
Dla profesjonalistów PRO - system AP
Akcesoria
Roboty koszące STIHL iMOW®
Roboty koszące STIHL iMOW®
Akcesoria do robotów koszących iMOW®
Instalacja
Doposażenie
STIHL Smart Connector
Pilarki łańcuchowe
Pilarki spalinowe do prac wokół domu i w ogrodzie
Pilarki spalinowe dla rolnictwa i ogrodnictwa
Pilarki spalinowe dla leśnictwa
Pilarki Akumulatorowe
Pilarki elektryczne
Podkrzesywarki
Pilarki dla arborystów
Pilarki carvingowe
Pilarka ratownicza
Łańcuchy do pilarek
STIHL
BARIBAL
Prowadnice
Model pilarki STIHL
MS 150 C
MS 150 TC
MS 151 TC
MS 151 C
MS 162 / MS 162 C
MS 170 / MS 170 C
MS 171 / MS 171 C
MS 172 / MS 172 C
MS 180 / MS 180 C
MS 181 / MS 181 C
MS 182 / MS 182 C
MS 192 T / MS 192 TC
MS 193 C
MS 193 T / MS 193 TC
MS 194 C
MS 194 T / MS 194 TC
MS 200 T
MS 201 / MS 201 C
MS 201 T / MS 201 TC
MS 211 / MS 211 C
MS 212 / MS 212 C
MS 230 / MS 230 C / MS 250 / MS 250 C
MS 231 / MS 231 C / MS 251 / MS 251 C
MS 241 C
MS 260 / MS 260 C
MS 261 / MS 261 C
MS 270 / MS 270 C / MS 280 / MS 280 C
MS 271 / MS 271 C / MS 291 / MS 291 C
MS 290
MS 310
MS 311
MS 360
MS 361 / MS 361 C
MS 362 / MS 362 C
MS 390
MS 391
MS 400 C
MS 440
MS 441 / MS 441 C
MS 460
MS 461
MS 462 / MS 462 C
MS 500i
STIHL
BARIBAL
Akcesoria do pilarek
Łańcuchy HARVESTER
Kosy mechaniczne
Kosy spalinowe do prac wokół domu i ogrodzie
Kosy spalinowe do dużych terenów zielonych
Mocne kosy spalinowe
Kosy akumulatorowe
Kosy elektryczne
Akcesoria do kos
Żyłki tnące
Narzędzia tnące
Osłony do narzędzi tnących
Pozostałe akcesoria do kos
Kosiarki ogrodowe
Kosiarki akumulatorowe
AkuSystem AK
AkuSystem AP
Kosiarki spalinowe
Kosiarki elektryczne
Seria 2
Seria 3
Seria 4
Seria 5
Akcesoria do kosiarek
Traktory ogrodowe
Traktory akumulatorowe
Traktory spalinowe
Akcesoria do traktorów ogrodowych
Wertykulatory
Wertykulatory spalinowe
Wertykulatory akumulatorowe
Wertykulatory elektryczne
Akcesoria do wertykulatorów
Nożyce do żywopłotów
Spalinowe nożyce do żywopłotów
Elektryczne nożyce do żywopłotów
Akumulatorowe nożyce do żywopłotów
Spalinowe nożyce do żywopłotów na wysięgniku
Elektryczne nożyce do żywopłotów na wysięgniku
Akumulatorowe nożyce do żywopłotów na wysięgniku
Akcesoria do nożyc
Rozdrabniacze ogrodowe
Rozdrabniacze elektryczne
Rozdrabniacze spalinowe
Akcesoria do rozdrabniaczy ogrodowych
Glebogryzarki
Glebogryzarki
Akcesoria do glebogryzarek
Kombi System
Jednostki silnikowe KombiMotor
KombiNarzędzia
Akcesoria do KombiSystemu
Dmuchawy i odkurzacze ogrodowe
Dmuchawy spalinowe
Dmuchawy akumulatorowe
Dmuchawy plecakowe
Odkurzacze spalinowe do ogrodu
Odkurzacze elektryczne do ogrodu
Odkurzacz akumulatorowy do ogrodu
Akcesoria do dmuchaw i odkurzaczy ogrodowych
Odkurzacze przemysłowe
Odkurzacze przemysłowe
Akcesoria do odkurzaczy przemysłowych
Myjki ciśnieniowe
Myjki wysokociśnieniowe
Środki czyszczące i pielęgnujące do myjek
Akcesoria do myjek ciśnieniowych
Zamiatarki
Zamiatarki
Zamiatarki Spalinowe
Odśnieżarki
Opryskiwacze
Opryskiwacze spalinowe
Opryskiwacz akumulatorowy
Opryskiwacze ręczne
Akcesoria do opryskiwaczy ręcznych
Akcesoria do opryskiwaczy spalinowych
Świdry glebowe
Świdry glebowe
Wiertła i wyposażenie dodatkowe
Przecinarki i pilarka do betonu
Przecinarki
Pilarka do betonu
Ściernice
Ściernice z żywic syntetycznych
Ściernice diamentowe
Wózki jezdne i akcesoria
Narzędzia ręczne do lasu i ogrodu
Sekatory, nożyce i piły do gałęzi
Narzędzia do pracy w lesie
Przyrządy miernicze
Przyrządy do znakowania
Futerały i inne akcesoria
Środki ochrony osobistej
Hełmy ochronne
Ochrona twarzy/słuchu
Nauszniki przeciwhałasowe
Okulary ochronne
Rękawice ochronne
Obuwie robocze i ochronne
Odzież robocza
ADVANCE X-FLEX
Materiały eksploatacyjne
Zestawy serwisowe
Oleje
Smary i środki czyszczące
Kanistry i systemy napełniania
Dla Fanów STIHL
WOŚP
Pompy Wodne
BESTSELLERY
Kompresory
Łuparki do drewna
Maszyny Budowlane
Promocja STIHL
Promocje Sezonowe STIHL
Nasze Okazje Specjalne
Zestawy Promocyjne
Pilarki Spalinowe Zestawy
Zestaw MS 162
Zestaw MS 172
Zestaw MS 182
Zestaw MS 212
Zestaw MS 231
Zestaw MS 251
Zestaw MS 271
Zestaw MS 291
Zestaw MS 311
Zestaw MS 391
Wyprzedaż
Oryginalne części
Pilarki
MS Pilarki Spalinowe
017 C
017
018
018 C
019 T
021
023
023 L
024
025
026
026 WVH
029
070
MS 162
MS 162 C-BE
MS 170
MS 170-D
MS 170 2-MIX
MS 170 C-E D
MS 171
MS 172
MS 172 C-BE
MS 180
MS 180 C-B
MS 180 C-B D
MS 180 C-BE
MS 180 2-MIX
MS 180 C-BE 2-MIX
MS 181
MS 181 C-BE
MS 182
MS 182 C-BE
MS 190 T
MS 194 T
MS 200 T
MS 201 T
MS 201 C-M
MS 210
MS 210 C-B
MS 210 C-BE
MS 211
MS 211 C-BE
MS 212
MS 212 C-BE
MS 230
MS 230 C-B
MS 230 C-BE
MS 231
MS 231 C-BE
MS 241 C-M
MS 250
MS 250 C-B
MS 250 C-BE
MS 251
MS 251 C-BE
MS 251 C-BEQ
MS 260
MS 261
MS 261 C-M
MS 261 C-M VW
MS 270
MS 270 C-B
MS 271
MS 271 C-BE
MS 280
MS 280 C-BQ
MS 280 C-BQ Z
MS 280 C-B
MS 291
MS 291 C-BE
MS 291 C-BEQ
MS 310
MS 311-Z
MS 311
MS 341
MS 360
MS 361
MS 362
MS 390
MS 391
MS 400 C-M
MS 400.1 C-M
MS 440
MS 441
MS 460
MS 462
MS 462 C-M
GS 461
MS 500i
MS 660
MSA Pilarki Akumulatorowe
MSA 60.0 C-B
MSA 70.0 C-B
MSA 120 C-B
MSA 140 C-B
GTA 26
MSA 200 C-B
MSA 161 T
MSE Pilarki Elektryczne
MSE 140 C-Q
MSE 140 C-BQ
MSE 141 C-Q
MSE 200 C-BQ
HT Podkrzesywarki
HT 135
GTA Przecinarki Akumulatorowe
GTA 26
GTA 30
GTA 40
Kosiarki
Kosiarki Spalinowe
AMK 045
RM 2.0 R
RM 2.0 RC
RM 2.1 R
RM 2.2 R
RM 2.2 R (BR)
MB 2.2 R
MB 2.2 RC
MB 2.2 RT
MB 4.0 RT
MB 4.0 RTP
RM 4.0 RTP
MB 4.1 RTP
ME 235.0
RME 235.0
RMA 239.1
RMA 239.1 C
MB 248.0
RM 248.1 T
RM 248.0 T
MB 248.4
RM 248.0
MB 248.1 T
RM 248.2
RM 248.2 T
MB 248.3 T
RM 248.3
RMA 248.3
RMA 248.3 T
RM 248.3 T
RM 248.1
MB 248.2
MB 248.2 T
MB 248.3
MB 253.0
RM 253.0
MB 253.0 T
RM 253.0 T
MB 253.1
RM 253.1
MB 253.1 T
RM 253.1 T
RM 253.2
RM 253.2 T
MA 339.0
RMA 339.0
MA 339.0 C
RMA 339.0 C
MA 339.1 C
RM 443.0
RME 443.0
RME 443.0 C
RM 443.0 T
MB 443.1
ME 443.1
RM 443.1
ME 443.1 C
MB 443.1 T
RM 443.1 T
MB 448.0
MB 448.0 T
RMA 448.0 TC
MB 448.0 TX
RMA 448.0 PC
RM 448.0 TX
RMA 448.1 TC
RMA 448.2 PV
RMA 448.3 PV
RM 448.3 T
RM 448.3 V
RMA 448.3 V
MB 450
ME 450
MB 450 M
MB 450 X
MB 455
MB 455 BC
MB 455 C
MB 455 E
MB 500
MB 505
MB 505 BS
MB 505 C
MB 505 E
MB 505 KAT
MB 505 M
MB 505 MM
MB 505 MQ
MB 505 S
MB 545.0
ME 545.0
RM 545.0
RME 545.0
RME 545.0 C
MB 545.0 T
RM 545.0 T
MB 545.0 V
ME 545.0 V
RME 545.0 V
MB 545.0 VE
RM 545.0 VE
MB 545.0 VR
RM 545.0 VM
MB 545.1
ME 545.1
RM 545.1
MB 545.1 T
RM 545.1 T
MB 545.1 VE
RM 545.1 VE
MB 545.1 VM
RM 545.1 VM
MB 555
MB 555 BS
MB 555 C
MB 555 E
MB 555 M
MB 555 S
MB 650.0 T
RM 650.0 T
MB 650.0 TK
MB 650.0 V
RM 650.0 V
MB 650.0 VE
RM 650.0 VE
MB 650.0 VM
MB 650.0 VS
RM 650.0 VS
MB 650.0 VQ
MB 650.1 V
RM 650.1 VE
MB 650.1 VM
MB 650.3 V
MB 650.3 VE
MB 650.3 VS
MB 655.0 GK
MB 655.0 G
MB 650.3 T
MB 655.0 OS
MB 655.0 GS
MB 655.0 GQ
MB 655.0 V
RM 655.0 V
RM 655.0 VS
RM 655.0 YS
MB 655.1 G
MB 655.1 GS
MB 655.1 V
RM 655.1 VS
MB 655.1 VR
MB 655.1 VS
MB 655.1 VM
MB 655.3 V
MB 655.3 VS
MB 655.3 YS
MB 750.0 GK
MB 750.1 GK
MB 750.2 KS
MB 755.1 KS
MB 755.2 KS
MB 756.0 YC
RM 756.0 YC
MB 756.0 YS
RM 756.0 YS
Kosiarki Akumulatorowe
RMA 239
RMA 448.2 PV
Wertykulatory
LE 240.0
RLA 240.0
RLE 240.0
Traktorki
RT 4082.1
RT 4097.1 SX
RT 4112.1 SZ
RT 5097.1
RT 5097.1 Z
RT 5112.1 Z
RT 6127.1 ZL
MT 6112.0 ZL
Kosy
Kosy Spalinowe
FS 38 2-MIX
FS 38
FS 55 2-MIX
FS 55
FS 55 R 2-MIX
FS 89
FS 90 - 4180
FS 111
FS 120 2-MIX
FS 120
FS 130
FS 131
FS 235
FS 240
FS 240 C-E
FS 250
FS 260
FS 261
FS 261.0
FS 310
FS 361.0 C-EM
FS 410 C-EM
FS 420
FS 450
FS 460 C-EM
FS 461 C-EM
FS 550
Głowice Żyłkowe
Głowica kosząca AutoCut C 3-2
Głowica kosząca AutoCut C 4-2
Głowica kosząca AutoCut C 6-2
Głowica kosząca AutoCut C 26-2
Głowica kosząca AutoCut 25-2
Głowica kosząca AutoCut 27-2
Głowica kosząca AutoCut 36-2
Głowica kosząca AutoCut 46-2
Głowica kosząca AutoCut 56-2
Akcesoria do kos
Połączenie ochrony twarzy - słuchu ECONOMY
Kombi System
KombiNarzędzia
HL-KM 145
Dmuchawy i Odkurzacze
Odkurzacze Spalinowe
SH 55
SH 85
SH 86
SH 56
Dmuchawy Spalinowe
BG 56
BG 86
BR 200
BR 450
BR 500
BR 800
BR 600
Dmuchawy Akumulatorowe
BGA 250.0
Odkurzacze Akumulatorowe
Myjki ciśnieniowe
Myjki Elektryczne
RE 80 X
RE 80
RE 90
RE 90 4951
RE 109
RE 100 PLUS CONTROL
RE 110
RE 110 PLUS
RE 120
RE 120 PLUS
RE 129 PLUS
RE 130 PLUS
RE 140 PLUS
RE 150
RE 150 PLUS
RE 170
RE 170 PLUS
RE 232
RE 282 PLUS
RE 362 PLUS
RE 462 PLUS
Myjki Akumulatorowe
Nożyce do żywopłotów
HS 45
HL 94 C-E
HS 45 2-MIX
ASA 20
HSA 86
Nożyce Akumulatorowe
HLA 86
Nożyce Spalinowe
HS 82 R
HS 81 R
Silniki Spalinowe
EVC 200.4 (EVC200-0009)
Silniki do Traktorków
EVC 7000.0 (EVC7000-0001)
EVC 8000.0 (EVC8000-0001)
EVC 4000.1 (EVC4000-0003)
Przecinarki Tarczowe / Wiertnice
Przecinarki Spalinowe
TS 420
TS 460
TS 500i
TS 700
TS 710i
TS 800
TS 910i
Przecinarki Akumulatorowe
Wiertnice Spalinowe
BT 131
Roboty koszące
RMI 422
RMI 422.0
RMI 422.0 P
RMI 422.0 PC
Narzędzia ręczne do lasu i ogrodu
Piły ręczne
Piła sadownicza PR 32 CW
Sekatory
Opryskiwacze
Opryskiwacze Ręczne
Opryskiwacze Spalinowe
SR 450
Narzędzia Serwisowe
Części zamienne - pozostali producenci
Agregaty , Zagęszczarki
Rozruszniki
Filtry powietrza
Kosiarki Spalinowe i Elektryczne
Filtry powietrza
Gaźnik i części
Kosy Spalinowe i Elektryczne
Głowice Żyłkowe
Pilarki Spalinowe i Elektryczne
Hamulce Łańcucha
Przewody paliwa
Filtry paliwa
Rozruszniki
Traktory Ogrodowe
Filtry Oleju
Akumulatory
Roboty koszące
STIHL iMOW®
iMOW® 3
iMOW® 4
iMOW® 5
iMOW® 6
iMOW® 7
Akcesoria iMOW®
Segway Navimow
SERIA I
SERIA H
SERIA X3
SERIA X4
SERIA TERRANOX
Akcesoria Navimow
SUNSEEKER ELITE
SERIA X3
SERIA X4
SERIA X5
SERIA X7
Akcesoria Sunseeker Elite
G-FORCE
MOWBEST
NX
X4E
SB
WYPRÓBUJ ZANIM KUPISZ
Dla Fanów STIHL
Serwis
Zlecenie serwisowe online
Ostrzenie łańcuchów
Video Poradniki
Instrukcje
Technika zamocowań
Zamocowania Ogólne
Zamocowania Ramowe
Zamocowania Do Termoizolacji
Wkręty, Łączniki, Kotwy, Chemia
Wiertła i Dłuta
Agregaty Prądotwórcze
Generatory benzynowe
Generatory LPG/benzyna
Generatory dieslowskie
Generatory inwertorowe
Generator prądu stałego
Przenośne stacje zasilania
Motopompy
Druk 3D
Sklep Dom-Ogród-Las
Oryginalne części
Przecinarki Tarczowe / Wiertnice
Przecinarki Spalinowe
TS 420
TS 420
TS 420
Poglądowe schematy
TS 420 - Ciśnieniowy zbiornik wodny
TS 420 - Filtr powietrza, pokrywa
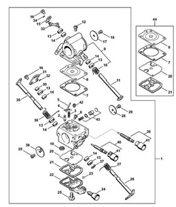
TS 420 - Gaźnik 4238/05
TS 420 - Przyłącze, Osłona TS 420
TS 420 - Układ zapłonowy
TS 420 - Zestaw towarzyszący - kół
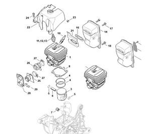
TS 420 - Cylinder, tłumik wydechu spalin
TS 420 - Gaźnik 4238/03
TS 420 - Jednostka napędowa
TS 420 - Obudowa zbiornika paliwa
TS 420 - Skrzynia korbowa
TS 420 - Sprzęgło, Uchwyt rurowy
TS 420 - Urządzenie rozruchowe
Pokaż filtry
Sortuj wg
Nazwa rosnąco
Nazwa malejąco
Cena rosnąco
Cena malejąco
Popularności rosnąco
Popularności malejąco
Podkładka 0000 958 0923
3,00
Kup
Sprężyna zabezpieczająca 1118 195 3500
3,00
Kup
Uchwyt / rączka rozrusznika 1121 195 3400
10,41
Kup
Przewód / wąż 0000 930 2803
11,60
Kup
Zestaw serwisowy nr 35
96,00
91,50
Kup
Zestaw podzespołów gaźnika 4238 007 1060
52,00
Kup
Uszczelka tłumika wydechu spalin 4238 149 0600
6,49
Kup
Koło pasowe 4238 760 8500 TS 420 TS 410, TS 500i
159,00
Kup
Rolka linki rozrusznika 4238 190 1001, TS 420
29,00
Kup
Linka urządzenia rozruchowego, Ø 4,5mm 00001902901
12,00
Kup
Świeca zapłonowa NGK BPMR7A 0000 400 7000
15,00
Kup
Rozprężny pierścień osadczy 10 - 9463 650 1000
3,00
Kup
Nakrętka M8x1 0000 955 0802
4,00
Kup
Sprężyna ramieniowa 0000 998 0604
3,30
Kup
Śruba z łbem walcowym IS M5x20 9022 371 1020
5,00
Kup
Tulejka 0000 988 8600
5,00
Kup
Śruba z łbem cylindrycznym IS-M5x25 9022 371 1050
4,99
Kup
Tulejka 7,5x6,8 9991 003 5087
5,00
Kup
Śruba z łbem cylindrycznym IS-D5x24 9075 478 4159
3,00
Kup
Sito 1123 121 7800
8,00
Kup
Sprężyna powrotna 4224 190 0600
32,50
Kup
Kompletny rozrusznik 4238 190 0302 TS 410 420
234,00
Kup
Jednostka napędowa TS 420 4238 020 0200
2619,00
Kup
Połówka skrzyni korbowej 4238 020 2909
589,00
Kup
1
2
3
4
TS 420
Znajdź nas na
Bezpieczna i szybka wysyłka
Darmowa dostawa od 800 zł
14 dni na zwrot
Zapisz się do naszego Newslettera
Aby otrzymywać informacje o promocjach i nowościach w naszym sklepie
×
Newsletter
Wyślij