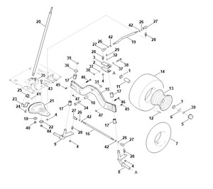
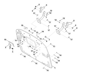
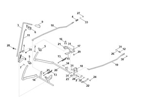
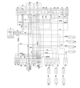
Części zamienne do STIHL RT 5097.1 – Utrzymaj swój traktorek w pełnej sprawności
Traktorek ogrodowy STIHL RT 5097.1 to niezawodna maszyna, która wymaga regularnego serwisowania, aby zachować najwyższą precyzję koszenia. W sklepie dom-ogrod-las.pl oferujemy szeroki wybór oryginalnych komponentów oraz wysokiej jakości zamienników, które zapewnią długowieczność Twojego urządzenia.
Niezbędne elementy eksploatacyjne
W naszej ofercie znajdziesz kluczowe podzespoły dedykowane do modelu RT 5097.1, w tym:
- Noże tnące: Listwy tnące o wysokiej odporności na tępienie, gwarantujące idealny wygląd trawnika.
- Paski napędowe: Paski jazdy oraz paski noży odporne na rozciąganie i trudne warunki pracy.
- Filtry i oleje: Filtry powietrza, oleju oraz paliwa, które chronią silnik przed przedwczesnym zużyciem.
Wybierając sprawdzone części, masz pewność, że Twój traktorek STIHL pozostanie gotowy do pracy w każdym sezonie.
Dom Ogród Las
















