Dlaczego warto wybierać oryginalne części Stihl MS 200 T?
Pilarka Stihl MS 200 T to narzędzie cenione przez profesjonalnych arborystów na całym świecie za doskonały stosunek mocy do masy. Aby zachować jej unikalne parametry, niezbędne jest stosowanie podzespołów o jakości OEM (Original Equipment Manufacturer). Wybierając oryginalne części, unikasz problemów z nieszczelnością układu paliwowego, przegrzewaniem się silnika czy przedwczesnym zużyciem układu tnącego.
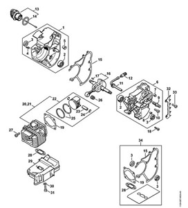
Najczęściej poszukiwane podzespoły do MS 200 T
W naszej ofercie znajdziesz szeroki wybór elementów eksploatacyjnych i konstrukcyjnych, takich jak:
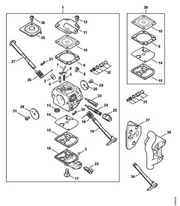
- Układ paliwowy i gaźnik: Membrany, przewody paliwowe oraz kompletne gaźniki zapewniające stabilne obroty.
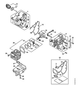
- Cylinder i tłok: Kluczowe elementy silnika, które przywracają fabryczną kompresję.
- Układ tnący: Oryginalne bębny sprzęgła, kółka pływające oraz pompy oleju zapewniające optymalne smarowanie łańcucha.
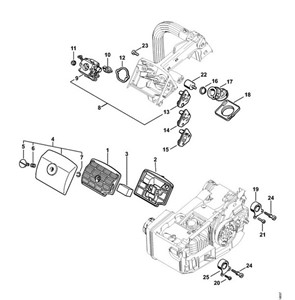
- Elementy obudowy i amortyzacja: Odbojniki, sprężyny AV (antywibracyjne) oraz uchwyty, które wpływają na komfort i ergonomię pracy.
Bezpieczeństwo i pewność inwestycji
Naprawa pilarki MS 200 T przy użyciu tanich zamienników często prowadzi do kosztownych awarii wtórnych. Oryginalne części Stihl, identyfikowane po unikalnych numerach katalogowych, przechodzą rygorystyczne testy wytrzymałościowe. Inwestując w części OEM 1129 (początek numeracji dla tej serii), masz pewność, że Twoja pilarka nie zawiedzie Cię w najtrudniejszych momentach podczas pracy w koronie drzewa.
Nie wiesz, jakiej części potrzebujesz? Skorzystaj z naszej wyszukiwarki numerów OEM lub skontaktuj się z naszymi doradcami technicznymi, którzy pomogą Ci dopasować odpowiedni element do Twojej pilarki Stihl.