FS 260
Poglądowe schematy
















Nie znaleziono produktów
Strona głównaCzęści do kosy STIHL FS 260 – Solidność w Klasie Średniej Mocy
Model STIHL FS 260 to profesjonalna kosa mechaniczna, idealna do intensywnych prac w ogrodnictwie komercyjnym, rolnictwie oraz dla firm komunalnych. Wyposażona w niezawodny silnik 2-MIX o mocy 2.0 KM (1.5 kW), łączy wydajność z oszczędnością paliwa. W naszym sklepie znajdziesz dedykowane części do STIHL FS 260, które pozwolą utrzymać ten solidny sprzęt w idealnej kondycji i zapewnić jego długotrwałą niezawodność.
Niezawodne podzespoły dla modelu FS 260
Oferujemy pełen zakres części zamiennych i eksploatacyjnych, które pasują do specyfiki tego cenionego modelu:
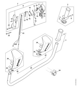
- Silnik 2-MIX: Wytrzymałe tłoki, cylindry, kartery oraz układy korbowe, zaprojektowane do długotrwałej pracy pod obciążeniem.
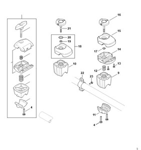
- Osprzęt tnący: Głowice żyłkowe (np. AutoCut 25-2, 40-2), noże stalowe, tarcze do zarośli oraz wzmocnione osłony.
- Układ napędowy: Solidne wały napędowe oraz przekładnie kątowe, przystosowane do intensywnej pracy.
- Układ paliwowy i filtracja: Gaźniki, filtry powietrza i paliwa, zapewniające optymalną mieszankę i ochronę silnika.
- Ergonomia: Elementy systemu antywibracyjnego oraz profesjonalne szelki, zwiększające komfort podczas długotrwałej pracy.
Dlaczego dobór części do STIHL FS 260 jest kluczowy?
Model FS 260 to maszyna, która wymaga solidnych części, aby sprostać codziennym, profesjonalnym wymaganiom. Stosowanie niewłaściwych zamienników może prowadzić do awarii i przestojów w pracy. Wybierając nasze produkty, zyskujesz:
- Gwarancję dopasowania: Części dedykowane wyłącznie do specyfikacji technicznej modelu FS 260.
- Wytrzymałość przemysłową: Komponenty klasy HD (Heavy Duty), odporne na trudy intensywnej eksploatacji.
- Optymalną wydajność: Przywrócenie pełnych 2.0 KM mocy, niezbędnej do efektywnego wykaszania.
Zainwestuj w sprawdzone części zamienne do kosy STIHL FS 260 i miej pewność, że Twój sprzęt jest gotów na każde wyzwanie. Oferujemy fachowe doradztwo i szybką realizację zamówień.
Pamiętaj: Regularne smarowanie przekładni kątowej oraz stosowanie odpowiedniej mieszanki paliwowej (1:50) to klucz do długowieczności silnika 2-MIX w modelu FS 260.
Dom Ogród Las