Eksploatacja STIHL RT 5097.1 Z – Jakie części znajdziesz w naszej ofercie?
Regularny serwis traktora ogrodowego to klucz do wydajności i długowieczności maszyny. Model STIHL RT 5097.1 Z charakteryzuje się szerokością koszenia 95 cm oraz zaawansowanym systemem zbierania trawy. W naszej ofercie zgromadziliśmy wszystkie niezbędne podzespoły podzielone na kluczowe sekcje:
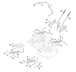
Układ tnący i noże
Sercem maszyny są noże do traktorka STIHL. Oferujemy noże łopatkowe, które zapewniają silny podmuch powietrza idealny do zbierania trawy do kosza, oraz dedykowane zestawy do mulczowania. Pamiętaj o regularnej kontroli stanu piast noża oraz paska napędu kosiska.
Silnik i filtry (Serwis olejowy)
Model RT 5097.1 Z napędzany jest silnikiem dwucylindrowym (V-Twin). Aby zachować jego moc, niezbędna jest wymiana:
- Filtrów oleju i powietrza: chronią silnik przed zanieczyszczeniami.
- Świec zapłonowych: gwarantują pewny rozruch w każdych warunkach.
- Olejów silnikowych: zalecanych przez producenta STIHL dla zachowania ochrony gwarancyjnej.
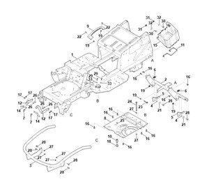
Układ jezdny i paski napędowe
W tej kategorii znajdziesz również paski napędu jazdy, linki załączania noży, a także elementy układu kierowniczego i opony o profilu trawnikowym, które minimalizują nacisk na darń.
Dlaczego warto wybierać oryginalne części STIHL?
Stosowanie oryginalnych części zamiennych do STIHL RT 5097.1 Z to pewność, że każdy element idealnie współpracuje z resztą mechanizmu. Przekłada się to na mniejsze zużycie paliwa, niższy poziom wibracji oraz wyższe bezpieczeństwo operatora. Skorzystaj z naszej wyszukiwarki lub sprawdź schematy serwisowe, aby precyzyjnie dobrać potrzebny podzespół.