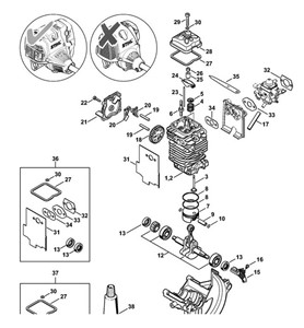
Części zamienne do wiertnicy spalinowej STIHL BT 131 to szeroki wybór komponentów, które pozwolą utrzymać urządzenie w doskonałej kondycji i zapewnią jego niezawodną pracę. W tej kategorii znajdziesz zarówno oryginalne części, jak i wysokiej jakości zamienniki, idealnie dopasowane do modelu BT 131.
Oferujemy elementy niezbędne do bieżącej eksploatacji oraz naprawy – od filtrów i świec zapłonowych, po gaźniki, sprzęgła i części układu napędowego. To rozwiązanie dla osób, które chcą szybko przywrócić sprawność swojej wiertnicy i pracować bez przestojów.
Dom Ogród Las
















