Części Zamienne do Silnika Stihl EVC 8000.0 (EVC8000-0001)
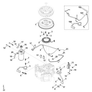
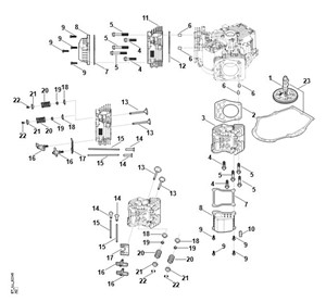
Silnik Stihl EVC 8000.0 to najmocniejsza jednostka w gamie, oferująca pojemność 764 cm³ i dwucylindrową konstrukcję typu V-Twin. Jako serce profesjonalnych traktorów ogrodowych, wymaga najwyższej jakości podzespołów serwisowych. W sklepie dom-ogrod-las.pl znajdziesz kompletne wyposażenie do konserwacji i naprawy jednostki EVC8000-0001.
Kluczowe części serwisowe dla EVC 8000.0:
- Filtry klasy Premium: Filtry oleju, paliwa oraz wkłady powietrza chroniące wnętrze silnika.
- Układ zapłonowy: Świece i cewki zapłonowe gwarantujące pewny start w każdych warunkach.
- Elementy eksploatacyjne: Pompy paliwa, uszczelki gaźnika oraz zestawy naprawcze.
- Napęd i rozruch: Rozruszniki, koła zamachowe i paski napędowe.
Zapewnij swojej maszynie maksymalną wydajność, wybierając sprawdzone części zamienne z naszej oferty.
Dom Ogród Las









