W tej kategorii dostępne są części do myjki ciśnieniowej RE 120, obejmujące zarówno elementy górne, jak i części dolne urządzenia. Oferowane komponenty umożliwiają skuteczną naprawę, konserwację oraz utrzymanie pełnej sprawności myjki.
RE 120
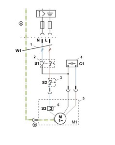
Poglądowe schematy





















Nie znaleziono produktów
Strona głównaCzęści górne i dolne do RE 120 są dopasowane do konstrukcji myjki i spełniają wymagania techniczne tego modelu. Regularna wymiana zużytych elementów pozwala zachować wysoką wydajność, bezpieczeństwo oraz długą żywotność urządzenia.
Wybierz odpowiednie części do myjki RE 120 i zadbaj o jej niezawodne działanie przez długi czas.
Dom Ogród Las