Części zamienne do STIHL RT 4112.1 SZ – Moc i wydajność pod kontrolą
Traktorek ogrodowy STIHL RT 4112.1 SZ to potężna maszyna z dwucylindrowym silnikiem i wyrzutem bocznym, stworzona do zadań specjalnych na dużych terenach. Aby utrzymać jej wysoką wydajność w 2026 roku, niezbędne jest stosowanie profesjonalnych komponentów. W sklepie dom-ogrod-las.pl znajdziesz szeroki wybór oryginalnych części do RT 4112.1 SZ, które zapewnią bezawaryjną pracę Twojego urządzenia.
Kluczowe materiały eksploatacyjne
Zadbaj o serce swojej maszyny i precyzję koszenia dzięki sprawdzonym produktom:
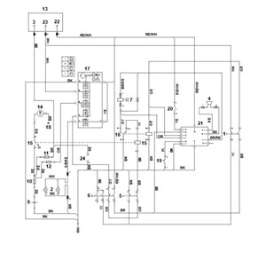
- Serwis silnika V-Twin: Filtry oleju, filtry powietrza oraz świece zapłonowe dedykowane do dwucylindrowych jednostek STIHL EVC.
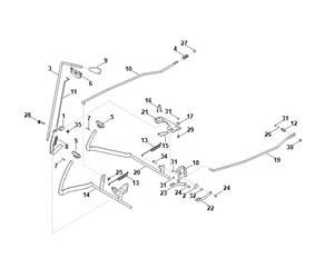
- Układ tnący 110 cm: Noże do wyrzutu bocznego o wysokiej trwałości, zapewniające idealne cięcie nawet wysokiej trawy.
- Paski napędowe: Wzmocnione paski jazdy i paski noży, odporne na duże obciążenia podczas pracy.
Regularna wymiana filtrów i noży to gwarancja, że Twój STIHL RT 4112.1 SZ zachowa swoją moc przez wiele lat.
Dom Ogród Las














