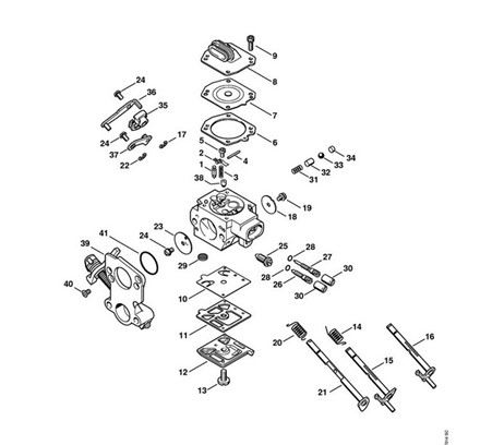
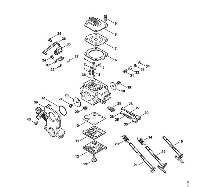
Gaźnik Stihl HD-41B do MS 441 / MS 441 C – 1138 120 0600
Gaźnik Stihl HD-41B 1138 120 0600 to oryginalna część przeznaczona do pilarek Stihl MS 441 oraz MS 441 C. Odpowiada za precyzyjną regulację mieszanki paliwowo-powietrznej, zapewniając łatwy rozruch, równomierną pracę silnika oraz pełną moc podczas cięcia. Dzięki solidnej konstrukcji i odporności na intensywną eksploatację gaźnik gwarantuje długą żywotność i niezawodność zarówno w zastosowaniach profesjonalnych, jak i domowych.
Specyfikacja
- Model: gaźnik Stihl HD-41B
- Funkcja: regulacja mieszanki powietrze/paliwo
- OEM: 1138 120 0600
- Numery zamienne: 1138-120-0600, 11381200600
Pasuje do modeli
- Stihl MS 441
- Stihl MS 441 C
W ofercie posiadamy szeroki asortyment oryginalnych części Stihl do pilarek, dmuchaw i innych urządzeń. Zachęcamy do sprawdzenia pozostałych komponentów dostępnych w naszym sklepie.
Dom Ogród Las










