Do darmowej dostawy brakuje
502 270 829pn - pt: 8:00 - 16: 00, sob: 8:00 - 13:00
Autoryzowany dealer StihlAutoryzowany dealer Stihl
Serwis
Szukaj
UlubioneKontoKoszyk
Kategorie produktów
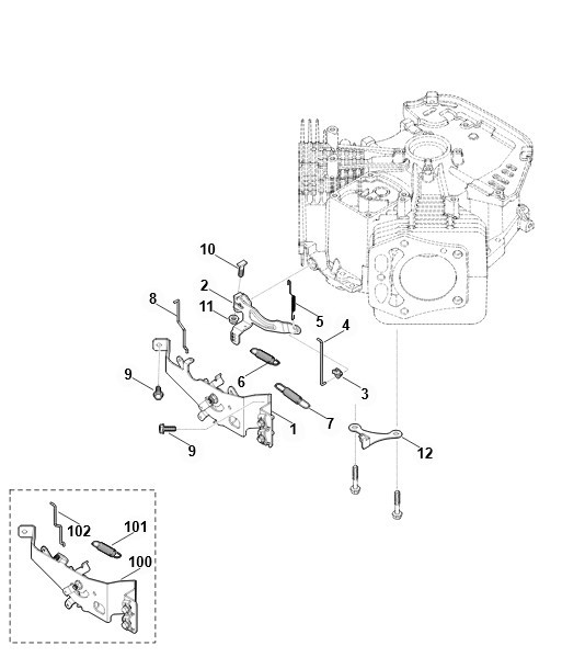
EVC 7000.0 (EVC7000-0001) -G - drążki regulatora

EVC 7000.0 (EVC7000-0001) -G - drążki regulatora

NrNr częściNazwaMagazynCenaIlość
Bezpieczna i szybka wysyłkaDarmowa dostawa od 800 zł14 dni na zwrot
Zapisz się do naszego Newslettera

Aby otrzymywać informacje o promocjach i nowościach w naszym sklepie